





NTJH-4C轮辐式称重传感器,又叫轮辐式力学传感器、轮辐式重量传感器、轮辐式荷重传感器、轮辐式测力传感器。NTJH-4C轮辐式称重传感器,高度低,钢性好,精度高,抗偏载能力强。广泛应用于皮带秤、料斗秤、仓储秤、料罐、材料力学试验机等。
技术参数
额定载荷: 10,20,30,50,100(kN)
综合精度: 0.05~0.1%F.S
灵敏度: 2.0mV/V
蠕变: ±0.05%F·S/30min
零点输出: ±1%F·S
零点温度影响: ±0.05%F·S/10℃
输出温度影响: ±0.05%F·S/10℃
工作温度: -20℃~+65℃
输入阻抗: 380±30Ω或750±50Ω
输出阻抗: 350±3Ω或700±5Ω
绝缘电阻: >5000 MΩ
安全过载: 150%F·S
供桥电压: 建议 10V DC
材质: 合金钢或不锈钢
传感器接线方式:输入+:红 输入-:黑 输出+:绿 输出-:白
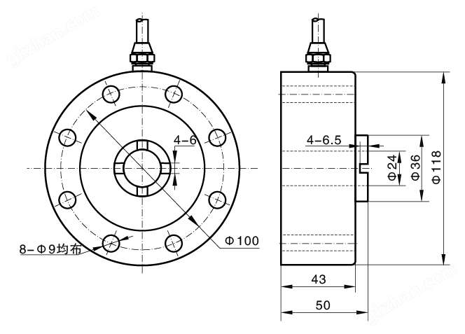
产品外形尺寸

我司主要研发、生产、销售:称重传感器、电力覆冰检测传感器、扭矩传感器、拉力传感器、轴销传感器、压力传感器、拉压力传感器以及相配套测控仪表等产品。传感器支持非标定制,欢迎带图询价或寄样询价,支持中性包装、品牌贴标、激光打标等个性化需求,详情欢迎咨询王工17372255369

产品找不到?
直接发需求试试!
发布需求
关于我们 法律声明 账户权限说明 网站地图 在线客服4000-189-00024小时全国服务热线
Copyright © 2019-2026 深圳市物联传媒有限公司 粤ICP备05006090号-18

扫扫微信
微信小助手为您服务









