发布产品
发布方案
发布需求
传感器 RFID 无线定位 物联网通信 云平台 人工智能 安防与识别 智能卡 安全与支付
售价:1260.00
安科瑞电气股份有限公司
应用领域:
智能制造 智慧工地 智慧政务 智慧交通 智慧能源 车联网
收藏
扫码分享
分享到微信
请升级浏览器,确保支持video标签 支持 HTML5 video
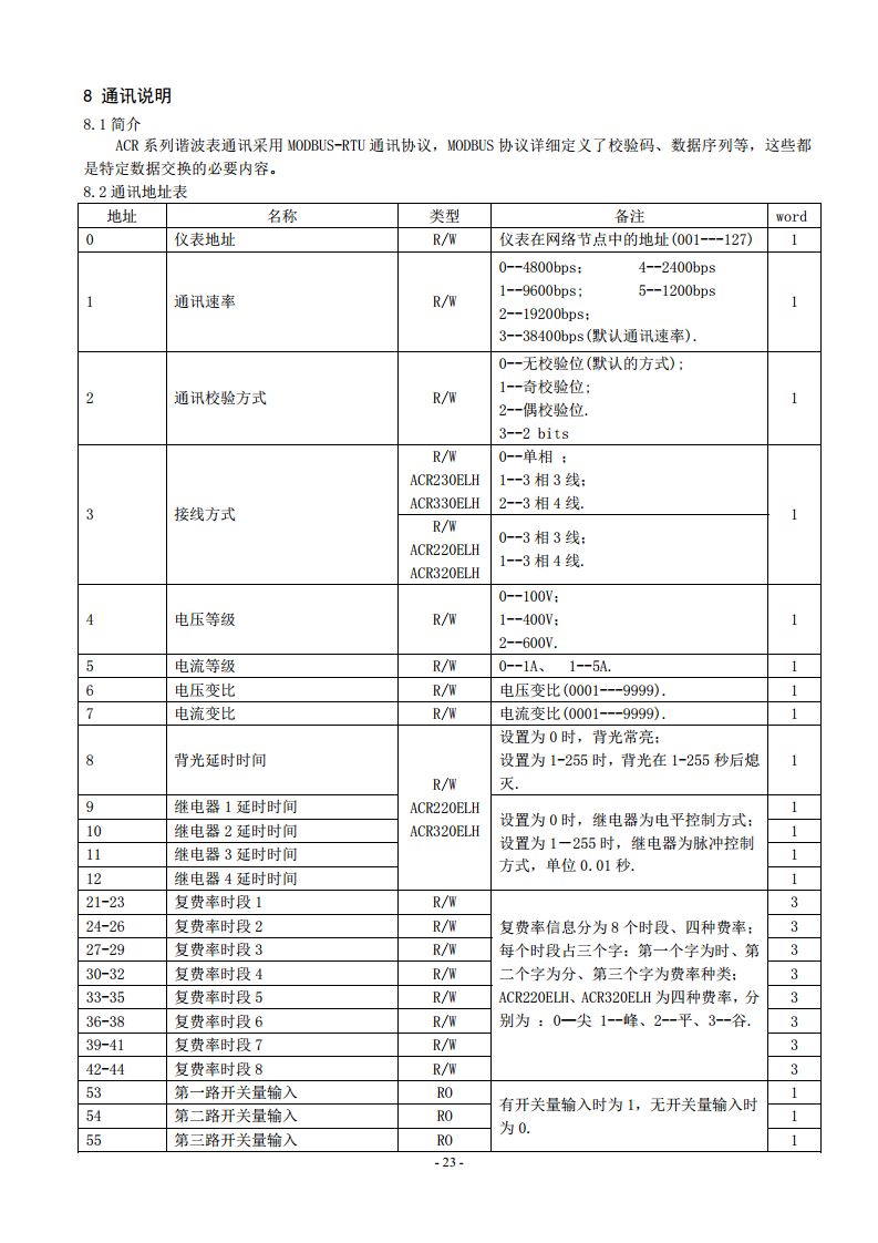
安科瑞多功能三相电子式导轨电表ADL200尺寸90X36X65长宽高MM
当曲电磁 超声波 流量计 液体、气体固液混合体 涡街流量计
当曲卡片式超声波流量计预付费智能水表家用磁卡射频插卡式自来水电
当曲双声道超声波流量计高温耐腐蚀 脉冲技术法兰连接
当曲管段式超声波流量计 流速范围精确 功能接口多法兰式热量表
产品找不到?直接发需求试试!
光伏电站并网点需要监测并网点电能质量光伏阵列现场环境进行实时监测与显示
安科瑞工厂工况能耗能源采集统计分析系统方案
智慧楼宇能耗管理系统及设备应用方案
高校企业工厂用电安全监测Acrel-6000安全用电管理云平台
ACREL-RFMS射频卡预付费售电管理系统
关于我们 法律声明 账户权限说明 网站地图 在线客服4000-189-00024小时全国服务热线
Copyright © 2019-2026 深圳市物联传媒有限公司 粤ICP备05006090号-18
扫扫微信微信小助手为您服务