



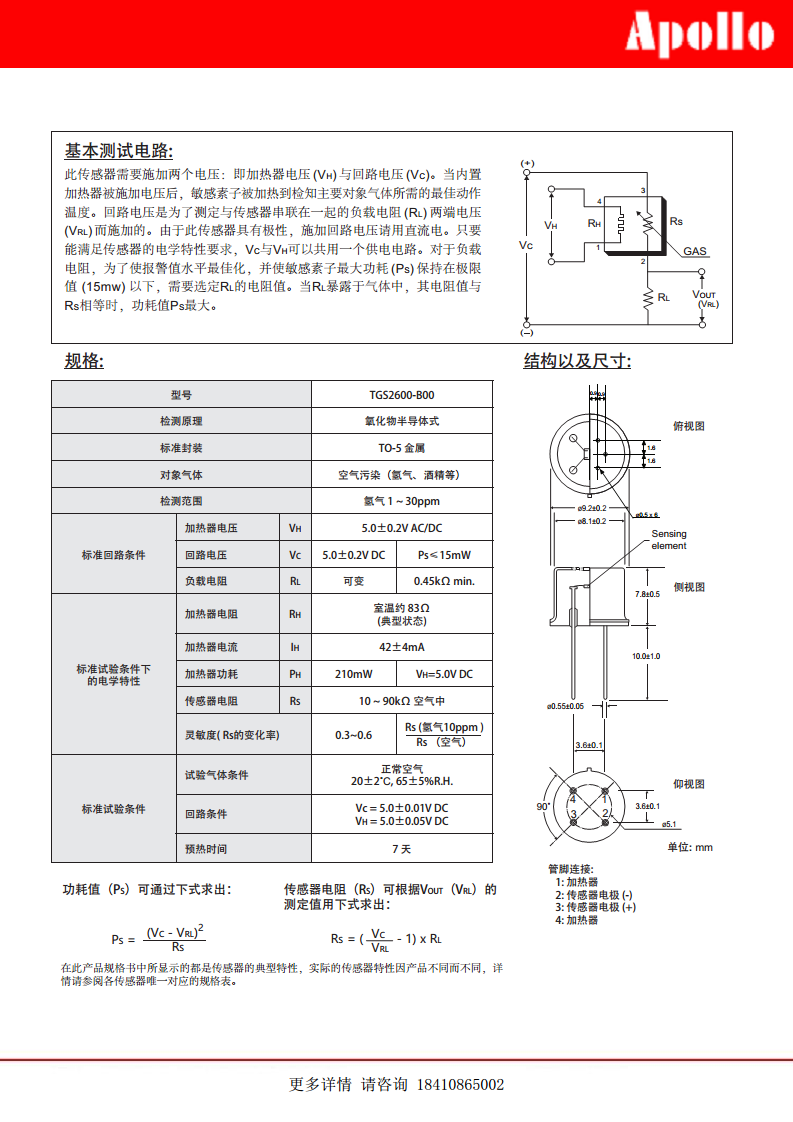
一、室内空气检测传感器TGS2600主要参数:
型号:TGS2600-B00
空气质量传感器(空气清新机用传感器)可测量范围:1-30ppm
灵敏度:0.3~0.6(10ppmH2阻值/空气中阻值)
防爆等级:
空气质量传感器输出信号:可变电阻值
环境温度:-10~50℃
二、室内空气检测传感器TGS2600主要特点:
对气味气体有很高的灵敏度;低功耗;对气态的空气质量检测有很高的灵敏度;长寿命,低价位;应用电路简单。可用于空气质量检测及室内空气质量检测,空气清新机等
北京盛思瑞特传感技术有限公司专业提供空气质量传感器TGS2600(智能家居传感器),欢迎您来电咨询空气质量传感器TGS2600(智能家居传感器)价格、空气质量传感器TGS2600(智能家居传感器)原理等详细信息!


产品找不到?
直接发需求试试!
发布需求
关于我们 法律声明 账户权限说明 网站地图 在线客服4000-189-00024小时全国服务热线
Copyright © 2019-2026 深圳市物联传媒有限公司 粤ICP备05006090号-18

扫扫微信
微信小助手为您服务







